Universelle Schichten für erhöhte Anforderungen
Werkstoffverbunde aus beschichteten Bauteilen erzielen häufig bessere Systemeigenschaften. Als Schichten für höhere Beanspruchungen kommen Dispersionsschichten, das heißt Verbundwerkstoffe aus einer metallischen Matrix und harten Partikeln in Frage. Verbesserte Werkstoffeigenschaften sind jedoch nur durch optimal gestaltete Prozesse erzielbar, die eine feindisperse Inkorporation insbesondere durch Einsatz von Ultraschall ermöglichen. An Beispielsystemen (Nickel bzw. Nickel-Kobalt mit mikro- bis nanoskaligen TiO2-, SiC-, Al2O3- und Diamantpartikeln) werden die mikrostrukturelle Beeinflussung der Matrix und die daraus resultierenden Eigenschaftsverbesserungen dargestellt. Neue Erkenntnisse bezüglich der Eigenschaftsabschätzung können durch Modellbildung und Simulation erreicht werden.
Functional Electrodeposited Composite Coatings – Universal Coatings for Demanding Service
Material composites made of coated components often achieve better system properties. Layers which are qualified for higher loads are, for instance, dispersion layers, i.e. composite materials made of a metallic matrix and hard particles. Improved material properties can, however, only be achieved by optimally designed processes which allow for a finely dispersed incorporation especially through the use of ultrasound. By way of certain example systems (nickel or nickel cobalt with micro- to nanoscale TiO₂, SiC, Al₂O₃ and diamond particles), the microstructural influence of the matrix and the resulting property improvements are presented. New findings related to the property estimation can be obtained by modeling and simulation.
1 Einleitung
Technische Produkte stehen über ihre Oberfläche in Wechselwirkung mit der Umgebung. Da häufig die Eigenschaften des Substrats nicht ausreichen, werden Oberflächen modifiziert und beschichtet. Gute Eigenschaften werden durch galvanisch abgeschiedene Schichten (auch Legierungen) und für höhere Beanspruchungen insbesondere durch Dispersionsschichten erzielt, die aus einer zähen, metallischen Matrix bestehen, in die eine zweite, meist keramische Komponente inkorporiert ist. So werden zum Beispiel Zylinderlaufflächen von Lastkraftwagen und Sportwagen seit Jahren mit mikroskalig SiC-verstärkten Nickeldispersionsschichten ausgekleidet, um Warmfestigkeit und gute tribologische Eigenschaften zur Erhöhung der Lebensdauer zu gewährleisten [1].
Durch die fortschreitende Miniaturisierung vieler Komponenten steigt der Bedarf an leistungsfähigen dünnen Schichten. In den letzten Jahren wurden insbesondere Aktivitäten zur Inkorporation submikro- und nanoskaliger Teilchen entwickelt, um Schichten für Anwendungen in der Mikrotechnologie abscheiden zu können und Effekte zu erzielen, welche bislang mit mikroskaligen Teilchen nicht erreicht wurden. Hierbei sind Schichten mit sehr feiner Mikrostruktur zu erwähnen, die beispielsweise eine geringe Rauheit und damit einen hohen Glanzgrad aufweisen, autokatalytisch durch entsprechende Partikelzugaben wirksam sind, ein deutlich verbessertes Korrosionsverhalten hinsichtlich Korrosionswiderstand und Korrosionserscheinungsform aufweisen sowie einen höheren Widerstand gegenüber den Verschleißgrundmechanismen Abrasion, Ermüdung und tribochemische Reaktionen zeigen. Durch Freisetzen von Substanzen aus gefüllten, in die Schicht inkorporierten Kapseln lassen sich selbstschmierende Oberflächen verwirklichen [2]. Eine Weiterentwicklung dieser Mechanismen führt zu ersten Erfolgen an Oberflächen, die nach einer Beschädigung selbstheilende beziehungsweise selbstreparierende Reaktionen initiieren.
Das größte Problem bei der Herstellung von Dispersionsschichten mit sehr kleinen Teilchen besteht im ausgeprägten Agglomerationsverhalten dieser Partikel im Elektrolyten, das durch die Einwirkung von Ultraschall beeinflusst werden kann [3]. Auf klassischem Wege lassen sich zumeist keine befriedigenden Ergebnisse bezüglich der Reproduzierbarkeit des Feststoffgehalts, der homogenen Feststoffverteilung und damit der gewünschten Werkstoffeigenschaften (z. B. Streckgrenze, Härte oder Plastizität) beziehungsweise Systemeigenschaften (Korrosion und Verschleiß) erzielen. Durch den Einsatz von Ultraschall während des gesamten Abscheidungsprozesses wird die monodisperse Partikelinkorporation begünstigt [4], Voraussetzung für einen erhöhten Widerstand gegen Oberflächenzerrüttung durch kombinierte Feinkorn- und Dispersionshärtung. Hierzu sollten die eingelagerten harten Teilchen idealerweise einen Durchmesser um 10 nm aufweisen und in Abständen von 100 nm in die Matrix eingebaut sein. Ergänzend sei erwähnt, dass ebenso wie bei der Abscheidung unter Ultraschalleinwirkung auch durch Pulsstromabscheidung [5, 10] Einfluss auf die eigenschaftsbestimmenden Parameter Korngröße, Teilchengehalt und Einbauverhalten genommen werden kann. Zudem ist bekannt, dass organische Zusätze in weiten Grenzen den Prozess und die Schichteigenschaften beeinflussen.
Seit geraumer Zeit werden am Institut für Werkstoffwissenschaft und Werkstofftechnik der TU Chemnitz Nickel- und Nickeldispersionsschichten entwickelt und charakterisiert. Diese Arbeiten sind darauf ausgerichtet, gut beherrschbare Abscheidungsprozesse zu entwickeln und Zusammenhänge zwischen Prozessparametern, Mikrostruktur und Schichteigenschaften zu finden [3, 4, 6–9]. Einfach aufgebaute Standardelektrolyte – möglichst ohne organische Zusätze – werden aus Gründen der Abstrahierbarkeit und Elektrolytstandzeit prädestiniert. Der vorliegende Artikel zeigt für die Systeme Nickel und Nickel-Kobalt auf, welche Potenziale durch Verwendung von mikro-, submikro- und nanoskaligen Partikeln im Hinblick auf Werkstoff- (Härte) und Systemeigenschaften (Verschleiß) unter Berücksichtigung der mikrostrukturellen Gegebenheiten einstellbar sind.
2 Experimentelle Bedingungen
Für die galvanische Abscheidung der Nickeldispersionsschichten wurde ein Watts-Nickelelektrolyt der Zusammensetzung aus 250 g/l Nickelsulfat, 30 g/l Nickelchlorid und 40 g/l Borsäure eingesetzt. Für die Nickel-Kobalt-Dispersionsschichten wurde ein Sulfamatelektrolyt aus 80 g/l Nickelsulfamat (Ni(NH2SO3)2·4H2O), 2–12 g/l Kobaltsulfamat (Co(NH2SO3)2·4H2O) und 40 g/l Borsäure (H3BO3) verwendet. Die Elektrolytdispersionen wurden während der Abscheidung mit einem Magnetrührer gerührt, um die Segregation der Feststoffphase zu verhindern. Bei Verwendung nanoskaliger Teilchen kann deren Agglomeration während der Beschichtung durch Einkopplung von Ultraschall in einer Frequenz von 30 kHz bis 35 kHz in den Elektrolyten mittels Behälter (Sonorex super, Bandelin) oder Sonotrode (UIP 250, Dr. Hielscher GmbH) verhindert werden. Die Abscheidung erfolgte auf Stahlblechen im Becherglas (Volumen 800 ml) beziehungsweise in einer Laborbeschichtungsanlage (Elektrolytvolumen 50 l) unter den in Tabelle 1 angegebenen Gleichstrombedingungen. Die Größe der verwendeten Teilchen (Hersteller: Evonik Industries, Kerr Mc Gee, H.C. Starck, Goodfellow) wurde über mehrere Größenordnungen variiert und ist ebenfalls in Tabelle 1 aufgeführt.
Tab. 1: Beschichtungsbedingungen
|
Parameter |
Wert |
|
ph-Wert |
4,5 |
|
Temperatur [°C] |
53–55 |
|
Stromdichte [A/dm2] |
1–10 |
|
Feststoffgehalt [g/l] |
0,5–20 |
|
Partikelart |
SiC, TiO2, AI2O3, Diamant |
|
Partikelgröße [nm] |
550/5000, 21/280/5000, 250, 150
|
Die Gefügecharakterisierung erfolgte an materialografischen Querschliffen mit OP-S-Endpolitur im Rasterelektronenmikroskop (Zeiss LEO 1544VP und NEON 40EsB), kombiniert mit Röntgenspektrometrie (EDAX) und Rückstreuelektronenbeugung (EDAX TSL OIM 5.2). Für Untersuchungen im Transmissionselektronenmikroskop (Hitachi H8110) wurden mechanisch vorpräparierte Proben mittels 3-kV-Ar-Ionen transparent gedünnt (Gatan PIPS). Instrumentierte Mikrohärtemessungen mit Vickers-Diamant (HM2000 XYm, Helmut Fischer GmbH) wurden zumeist bei Lasten bis 500 mN (Haltezeit von 30 s) durchgeführt. Im Schwingungsverschleißtribometer (SVT 40, Wazau) erfolgten bei 22 °C und 50 % rel. Luftfeuchte die Kugel-Ebene-Tests mit 5 N Prüfkraft, 20 Hz Schwingungsfrequenz, 1 mm Schwingungsweite und einer Prüfzyklenzahl von 36 000 in Anlehnung an DIN 50324.
3 Mikrostruktur und Verschleißverhalten
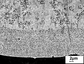
Die Nickelmatrix der Dispersionsschichten besteht typischerweise aus einer feinkristallinen Initialschicht auf dem Substrat, aus der konkurrierende stängelförmige Kristalle zunehmender Größe und Fasertextur wachsen, gut bekannt von galvanisch abgeschiedenen Nickelschichten (Abb. 1a). Werden mikroskalige Teilchen in solche Schichten eingebaut, erfolgt die Bildung der Initialschicht um jedes Teilchen; das Stängelwachstum wird begrenzt (Abb. 1b). Beim Einbau von submikroskaligen Teilchen besteht in aller Regel die Herausforderung, die im Elektrolyten verstärkte Agglomerationsneigung aufzuheben. Dazu eignet sich die Einstrahlung von Ultraschall in den galvanischen Elektrolyten. Die so erzeugten Kavitationsbläschen lösen durch ihre Implosion die Agglomerate auf, beeinflussen aber auch das Transportverhalten der Spezies in der Lösung. Das führt zur Bildung feinerer Stängelkristalle in der Matrix (Abb. 1c).



Abb. 1: Gefüge von Nickel- und Nickel-Titanoxid-Schichten: Nickelschicht (a, oben), Einfluss der mikroskaligenPartikel (b, Mitte) und Einfluss der Ultraschallanwendung (c, unten)
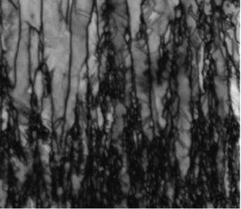
Die Auflösung der Agglomerate ist mit veränderten Einbauraten verbunden, wie die Beispiele in Abbildung 2 belegen. Die Agglomerate im Elektrolyt werden durch die Einwirkung des Ultraschalls sofort aufgebrochen und dispergiert; dabei wird der Einbau submikroskaliger Teilchen oft verringert (Abb. 2a), während der Einbau nanoskaliger Teilchen zumeist erhöht wird (Abb. 2b). Die durch Implosion freigesetzte Druckwelle hängt von Größe der Kavitationsblasen und diese von der Frequenz des Ultraschalls ab. Das ermöglicht die Anpassung an den verwendeten Feststoff und wird auch von anderen Autoren berichtet [10]. Mit dem Einbau von nanoskaligen Partikeln geht eine starke Kornfeinung (Abb. 2c) und die Ausbildung zusätzlicher Texturen einher, was durch eine Vielzahl von Rückstreuelektronenbeugungsuntersuchungen belegt werden konnte.



Abb. 2: Nickel-Titanoxid-Schichten, galvanisch abgeschieden mit verzögert einsetzendem Ultraschall; zu erkennen ist der Unterschied ohne (oben) und mit (unten) Ultraschallanwendung; submikroskalige Teilchen (a, oben), nanoskalige Teilchen (b, Mitte) und Kornfeinung im Nanokomposit (c, unten)
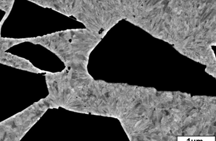
Transmissionselektronenmikroskopische Hellfeldabbildungen belegen eine gute Anbindung der inkorporierten Partikel an die Matrix (Abb. 3a, b). Oft sind Agglomerate einiger Teilchen zu erkennen, die bereits während der Herstellung in der Gasphase zusammengewachsen sind (Abb. 3a, c).



Abb. 3: Details des Nanoteilcheneinbaus, gezeigt an kleinen Titanoxidagglomeraten (a, oben), guter Partikel-Matrix-Bindung (Partikel im Kreis, (b, Mitte) und der Grenzfläche zweier zusammengewachsener Alumiumoxidteilchen (Pfeil, c, unten)
Die Verstärkung der Nickel- beziehungsweise Nickel-Kobalt-Matrix durch den Einbau von Teilchen mit Durchmessern unter 500 nm spiegelt sich zunächst im Anstieg der Vickershärte um mehr als 50 % wider, was sowohl durch Feinkorn- als auch Dispersionshärtung erreicht wird. Die Härte bestimmt im Zusammenspiel mit der Duktilität und den Makrospannungen der Schichten das Verschleißverhalten [6, 8, 9, 11], das exemplarisch für den Schwingungsverschleiß von Dispersionsschichten mit Partikeln verschiedener Menge, Größe, und Zusammensetzung in Abbildung 4 zusammengefasst dargestellt wurde. Die besten Verschleißeigenschaften wurden bisher an durch ultraschallgestützte Koabscheidung erzeugten Kompositschichten mit einem Partikelgehalt um 20 Vol.-% und Teilchendurchmessern von 100 nm bis 300 nm beobachtet.

Abb. 4: Verschleißvolumen mikro- bis nanoskalig verstärkter Nickel- und Nickel-Kobalt-Schichten nach 36 000 Zyklen
4 Materialparameter für die Simulation
Für die numerische Simulation des Schichtverhaltens sind Werkstoffmodelle nötig, deren Parameter sich auf Grund der kleinen Schichtdicken der direkten experimentellen Bestimmung mittels Zug- oder Druckversuch entziehen. Mit fortschreitender Rechentechnik haben sich die inversen Methoden als neue Verfahren zur Bestimmung von Modellparametern etabliert. Sie erfordern wenig experimentellen, dafür aber einen höheren numerischen Aufwand. Allgemeines Ziel ist es, ein Werkstoffgesetz für die Fließspannung zu formulieren, wobei der Typ des Werkstoffmodells zunächst keine Rolle spielt.
Für die numerische Simulation partikelverstärkter Nickelschichten ist es häufig ausreichend, ein relativ einfaches, eindimensionales Fließkurvenmodell nach Ludwik [12] (s = Cen) zu verwenden. Dafür müssen E-Modul E, Querkontraktionszahl µ, Werkstoffkonstante C und der Verfestigungsexponent n ermittelt werden. Wird Isotropie sowie ein athermisches Verhalten bezüglich der Dehnrate angenommen, ist es möglich, diese Modellparameter mit Hilfe der inversen Methodiken aus der Simulation einer Martenshärtemessung zu ermitteln. Dazu wird ein beliebiger Anfangsparametersatz P0 gewählt und die Simulation des realen Eindringversuchs vorgenommen. Anschließend werden charakteristische Größen (Kräfte, Eindringtiefen) aus der FEM-Simulation extrahiert, mit den experimentellen Werten verglichen und die Abbildungsgenauigkeit mathematisch beschrieben. In einer Iterationsschleife wird ein neuer Parametersatz Pn mit dem Ziel festgelegt, die Abweichungen zwischen Simulation und Experiment zu minimieren, bis die Abweichung F(Pn) ein Minimum (im Idealfall Null) erreicht. Der so gefundene Parametersatz Pn wird als optimale Lösung angesehen. Für eine Nickel-Titanoxid-Schicht (Ø 21 nm, 1 Vol.%) wurde dies exemplarisch durchgeführt.
Tab. 2: Durch Simulation ermittelte Materialparameter einer Nickel-Titanoxid-Schicht
|
E |
162 GPa |
|
µ |
0,28 |
|
C |
2,1 GPa |
|
n |
0,24
|
Ein Vergleich des gemessenen Kraft-Eindringtiefen-Verlaufs mit den Verläufen aus verschiedenen numerischen Iterationen (Abb. 5a) zeigt, dass nach elf Iterationen der experimentelle Verlauf sehr gut widergegeben wird. Die so identifizierten Parameter sind in Tabelle 2 zusammengefasst. Der Querschliff eines Vickers-Eindrucks (Normalkraft 5 N) in die Schicht wurde mittels Rückstreuelektronenbeugung untersucht (Abb. 5b). Die Bandkontrastkarte zeigt, dass erwartungsgemäß mit zunehmender plastischer Verformung durch die erzeugten Verzerrungen im Gefüge der Kontrast der Messung zu Grunde liegenden Beugungsbilder schlechter wird. Darüber ist eine Isoliniendarstellung der plastischen Dehnung/Stauchung aus der numerischen Simulation gelegt, welche zeigt, dass diese ab einem Wert von etwa 0,2 indirekt über die EBSD-Messung nachgewiesen werden kann. Dabei wurde die Größe der plastischen Zone unter dem Eindruck in Schichtdickenrichtung leicht unterschätzt. Dies ist unter anderem auf die in der numerischen Simulation vorausgesetzte Isotropie zurückzuführen. Die Schicht weist jedoch eine ausgeprägte <100>-Fasertextur in Wachstumsrichtung auf (Einsatz in Abb. 5b), die in der Simulation bisher nicht berücksichtigt wurde.


Abb. 5: Experimentelle und numerisch simulierte Eindringversuche; experimentelle und simulierte Kraft-Eindringtiefen-Verläufe (a) und Bandkontrastkarte mit überlagerten simulierten Isolinien der plastischen Dehnung/Stauchung und Polfigur (b)
Kontakt
thomas.lampke@mb.tu-chemnitz.de
Danksagung
Die Autoren danken der Deutschen Forschungsgemeinschaft für die Finanzierung des Projekts Chemisch und galvanisch abgeschiedene Nanokomposite für die Mikrosystemtechnik (DFG LA 1274/10)
Literatur
[1] K. U. Kainer: Metal Matrix Composites – Custom-made Materials for Automotive and Aerospace Engineering; Wiley-VCH, Weinheim 2006, ISBN-13: 978-3-527-31360-0
[2] A. Dietz, M. Jobmann, G. Rafler: Mikrokapseln in der Galvanotechnik; Mat-wiss. Werkstofftechn. 31 (2000)7, S. 612–615
[3] F. Erler, C. Jakob, H. Romanus, L. Spiess, B. Wielage, T. Lampke, S. Steinhäuser: Interface behaviour in nickel composite coatings with nano-particles of oxidic ceramic; Electrochimica Acta 48 (2003)20-22, S. 3063–3070
[4] T. Lampke, B. Wielage, D. Dietrich, A. Leopold: Details of crystalline growth in co-deposited electroplated nickel films with hard (nano)particles; App. Surf. Sci. 253 (2006)5, S. 2399–2408
[5] D. Thiemig, A. Bund, D. Dietrich, T. Lampke: Characterization of the Particle Incorporation Behaviour and the Microstructure of electrocodeposited Ni-Al2O3 Nanocomposites; J. Electrochem. Plating Technol., in press
[6] T. Lampke, A. Leopold, D. Dietrich, G. Alisch, B. Wielage: Correlation between structure and corrosion behaviour of nickel dispersion coatings containing ceramic particles of different sizes; Surf. Coat. Technol. 201 (2006)6, S. 3510–3517
[7] Y. Müller, P. Schmutz, T. Lampke, A. Leopold: Photokatalytische Eigenschaften von Titandioxid in einer metallischen Beschichtung; Metalloberfläche 60 (2006)6, S. 40–42
[8] T. Lampke, D. Dietrich, A. Leopold, G. Alisch, B. Wielage: Cavitation erosion of electroplated nickel composite coatings; Surf. Coat. Technol. 202 (2008), S. 3967–3974
[9] B. Wielage, T. Lampke, M. Zacher, D. Dietrich: Electroplated nickel composites with micron to nano size particles; Key Engineering Materials 384 (2008), S. 283–309
[10] L. M. Chang, H.F. Guo, M. Z. An: Electrodeposition of Ni–Co/Al2O3 composite coating by pulse reverse method under ultrasonic condition; Mater. Lett. 62 (2008), 3313–3315
[11] D. Dietrich, I. Scharf, D. Nickel, L. Shi, T. Grund, T. Lampke: Ultrasound technique as a tool for high-rate incorporation of Al2O3 in NiCo layers; J. Solid-State Electrochem., submitted
[12] P. Ludwik: Elemente der Technologischen
Mechanik; Springer, Berlin 1909
DOI: 10.7395/2014/Scharf2
1 Institut für Werkstoffwissenschaft und Werkstofftechnik, Technische Universität Chemnitz
2 Institut für Werkstoff- und Fügetechnik, Otto-von-Guericke-Universität Magdeburg