Durchbruch in der Materialforschung – neue Materialklasse basierend auf Nanopartikeln| WOTech Technical Media

Durchbruch in der Materialforschung – neue Materialklasse basierend auf Nanopartikeln

Dem Wunschmaterial für Medizintechnik und Produkthersteller sind die Hamburger Wissenschaftler ein Stück näher gekommen. Die neu entwickelte Methodik führt zu einem Material mit einer hohen Elastizität und Festigkeit wie auch gleichzeitig hoher Härte.

Die Forscher nutzen eine bei Nanoteilchen angewandte Standardmethode, bei der sich keramische Eisenoxid-Nanopartikel in gleichmäßigen Abständen regelmäßig anordnen. Damit dies passiert, wird organische Ölsäure benötigt, die jedes Eisenoxid-Nanoteilchen dicht umhüllt und diese mit einander verbindet „Die Selbstorganisation dieser Nanopartikel führt zu ausgedehnten dichtgepackten Überstrukturen, die an atomare Kristallgitter erinnern“, so Dr. Axel Dreyer, Mitautor der Studie und wissenschaftlicher Mitarbeiter im TUHH-Institut für Keramische Hochleistungswerkstoffe. Der Clou ist, dass eine nachfolgende moderate Wärmebehandlung des Materials zu einem viel stärkeren Zusammenhalt des Materials und zu den bisher unerreichten, neuen mechanischen Eigenschaften des Nanokomposits führt.



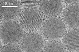
Hochauflösende transmissionselektronenmikroskopische Aufnahme der Eisenoxid-Nanoteilchen umgeben von Ölsäuremolekülen / Bildquelle: TUHH

 

Der Aufbau des neuen Materials ähnelt auf kleinster Ebene natürlichem Hartgewebe wie Perlmutt oder Zahnschmelz. Seine Bausteine sind einheitlich große Eisenoxid-Nanopartikel, die mit einer Hülle aus organischer Ölsäure umgeben sind. In bisherigen Arbeiten war die Verbindung zwischen den Ölsäuremolekülen sehr schwach und basierte auf sogenannten van-der Waals-Bindungen. Den Autoren ist es nun durch Trocknung, Heißpressen und einer kontrollierten Wärmebehandlung gelungen, die Ölsäuremoleküle viel stärker zu verbinden und damit das mechanische Verhalten dieser Nanokomposite entscheidend zu verbessern. Da auch andere Nanoteilchen sehr häufig in Kombination mit organischer Ölsäure verarbeitet werden, hat diese Methode das Potential bei einer Vielzahl anderer Nanokompositmaterialien auch zu einer Verbesserung der mechanischen Eigenschaften zu führen. Darüber hinaus können, wie in der Natur, die vielfältigen Veränderungsmöglichkeiten der organischen Moleküle das mechanische Materialverhalten beeinflussen.

Die neue Materialklasse wurde im Sonderforschungsbereich 986 Maßgeschneiderte Multiskalige Materialsysteme - M³ der TUHH entdeckt in dem die vier Forschungseinrichtungen zusammenarbeiten. Eingesetzt werden kann das Material beispielsweise für Zahnfüllungen oder auch in der Herstellung von Uhrengehäusen. Hier muss das Material hart und zugleich bruchfest sein.

Publikation in Nature Materials: Organically linked iron oxide nanoparticle supercrystals with exceptional isotropic mechanical properties: Axel Dreyer, Artur Feld, Andreas Kornowski, Ezgi D. Yilmaz, Heshmat Noei, Andreas Meyer, Tobias Krekeler, Chengge Jiao, Andreas Stierle, Volker Abetz, Horst Weller and Gerold A. Schneider; in Nature Material, DOI: 10.1038/nmat4553

http://www.tuhh.de

Aktuelle Onlineartikel

Top