Additive Fertigung hat sich zu einer wichtigen Technologie für die Herstellung leichter Bauteile mit komplexen Geometrien entwickelt. In Bereichen wie Elektronik, HF-Technik und Sensorsystemen werden Polymerstrukturen aus hochauflösendem 3D-Druck zunehmend als Grundlage für metallisierte Funktionsbauteile eingesetzt. Neben der schnellen Verfügbarkeit und der kostengünstigen Herstellung von Prototypen und Kleinserien bietet die Technik vor allem die Möglichkeit, geometrisch komplexe Bauteile in einem Stück zu fertigen. Gerade in der Hochfrequenztechnik werden damit fügebedingte Artefakte vermieden, die die Leistung der Bauteile mindern. Leitfähige Beschichtungen ermöglichen es diesen Komponenten, elektrische oder elektromagnetische Funktionen zu erfüllen und gleichzeitig die durch additive Fertigung gebotene Designfreiheit zu nutzen. Eine der zentralen technischen Herausforderungen in dieser Prozesskette besteht jedoch darin, eine zuverlässige Haftung zwischen dem Polymersubstrat und der abgeschiedenen Metallschicht zu erreichen [1].
Herausforderung durch 3D-Druck
Viele Photopolymere, die in stereolithographiebasierten Druckverfahren eingesetzt werden, weisen relativ glatte Oberflächen und vergleichsweise niedrige Oberflächenenergien auf. Dadurch bilden durch Galvanisierung abgeschiedene Metallschichten nicht immer eine ausreichend feste Verbindung mit dem Substrat. In der industriellen Praxis werden Polymerbauteile daher häufig vor der Metallisierung mechanisch aufgeraut, plasmabehandelt oder einer aggressiven chemischen Aktivierung unterzogen. Obwohl diese Verfahren wirksam sein können, lassen sie sich nicht immer einfach kontrollieren und können insbesondere bei Bauteilen mit feinen Strukturen oder komplexen inneren Geometrien problematisch sein [2]. Durch die homogene Zusammensetzung der Photopolymere kann durch selektive Beizverfahren keine ausgeprägte Mikrostrukturierung erreicht werden, wie sie bei ABS-Kunststoffen durch das enthaltene Butadien und bei anderen thermoplastischen Kunststoffen durch Füllstoffe in der Kunststoffgalvanik üblich sind.
Alternative Ansätze zur Metallisierung
Entwicklungsarbeiten bei der Biconex GmbH untersuchen alternative Ansätze, um die Metallisierung von 3D-gedruckten Bauteilen zuverlässiger und industriell praktikabler zu gestalten. Das Unternehmen ist auf funktionelle Galvanotechnik sowie die Metallisierung von anspruchsvollen technischen Komponenten spezialisiert. Im Rahmen aktueller Entwicklungsarbeiten lag der Fokus darauf, die Grenzfläche zwischen Polymersubstraten und galvanisch abgeschiedenen Metallschichten zu verbessern, indem das Material bereits während des Druckprozesses modifiziert wird.
Anstatt die Polymeroberfläche nach der Herstellung zu modifizieren, wird ein Opferfüllstoff direkt in das Photopolymerharz eingearbeitet. Hierfür wurde ein spezielles gefälltes Calciumcarbonat der Schaefer Kalk GmbH & Co. KG ausgewählt, da es leicht verfügbar, einfach zu verarbeiten und durch eine chemische Behandlung selektiv entfernbar ist. Werden die gedruckten Bauteile anschließend einem kontrollierten Ätzschritt unterzogen, lösen sich Füllstoffpartikel in Oberflächennähe auf und hinterlassen mikroskopische Hohlräume in der Polymermatrix.
Die resultierende Oberflächenstruktur bildet ein feines Netzwerk aus Mikroporosität. Diese Modifikation verändert die Wechselwirkung zwischen dem Polymersubstrat und den in der Metallisierung eingesetzten Elektrolyten. Die vergrößerte Oberflächenstruktur verbessert das Benetzungsverhalten und ermöglicht eine effektivere Wechselwirkung zwischen Elektrolyt und abgeschiedenem Metall mit dem Substrat. Gleichzeitig entstehen durch die mikroskopischen Hohlräume Verankerungspunkte für die wachsende Metallschicht. Während der galvanischen Abscheidung dringt das Metall in diese Poren ein und bildet eine stabile mechanische Verzahnung mit dem umgebenden Polymer. Die Kombination aus verbessertem Benetzungsverhalten und mechanischer Verankerung führt zu einer deutlich stärkeren Bindung zwischen Polymer und Metall [3].
Überführung in die Praxis
Zur Untersuchung dieses Konzepts wurde eine Reihe von Probekörpern mittels maskierter Stereolithographie hergestellt. Das Photopolymerharz wurde mit Calciumcarbonat-Füllstoff modifiziert und unter Standarddruckparametern verarbeitet. Nach dem Druck und der Nachbehandlung wurden die Bauteile einem kontrollierten chemischen Ätzprozess unterzogen, um oberflächennahe Füllstoffpartikel aufzulösen. Anschließend wurden die Proben in einer automatisierten galvanischen Anlage unter Anwendung kommerzieller Verfahren der Kunststoffvorbehandlung mit kolloidalem Palladium und chemisch abscheidendem Nickelverfahren mit einer leitfähigen Schicht versehen und danach mit Kupfer metallisiert.
Die Haftung zwischen Polymersubstrat und abgeschiedener Metallschicht wurde mithilfe von Stirnabzugstests in Anlehnung an die DIN EN ISO 4624 bewertet. Dieses Verfahren sieht nach der Abscheidung einer 40 Mikrometer dicken Kupferschicht die Präparation eines ein Zentimeter breiten Kupferstreifens vor, der unter einem Winkel von 90° abgezogen wird. Die gemessene Kraft ist dann ein Maß für die Schichthaftfestigkeit.
Die Ergebnisse zeigten deutlich, dass Proben mit Opferfüllstoff eine signifikant stärkere Bindung zur galvanisch abgeschiedenen Kupferschicht entwickelten als unveränderte Polymermaterialien (Abb. 1). Der Ätzprozess erzeugte eine Oberflächenmorphologie, die eine festere Anbindung der Metallschicht ermöglichte und auch in späteren Anwendungen bei wechselnden thermischen Beanspruchungen die Tendenz zur Delamination reduziert.

Abb. 1: Peel-Festigkeit galvanisch abgeschiedener Kupferschichten auf 3D-gedruckten Proben aus einem industriell verfügbaren Photopolymerharz in Abhängigkeit von der Ätzzeit. Das mit CaCO3 modifizierte Harz zeigt im Vergleich zum ungefüllten Material nach der Ätzbehandlung eine deutlich verbesserte Haftung zum abgeschiedenen Metall
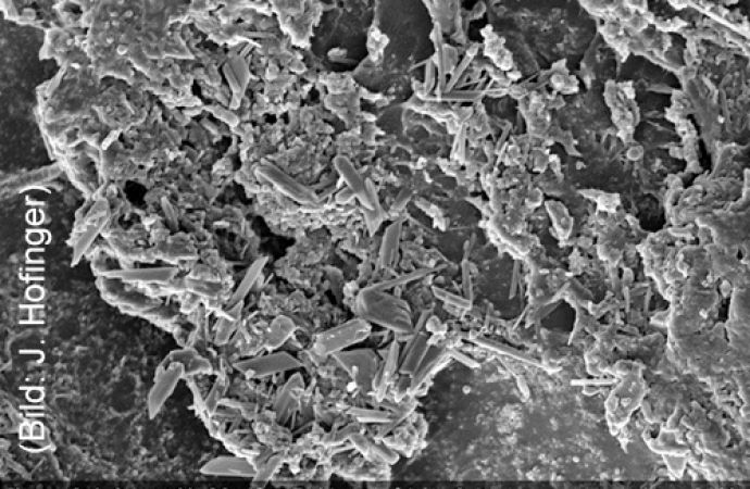
Weitere Einblicke in den Mechanismus wurden durch rasterelektronenmikroskopische Aufnahmen gewonnen. Querschliffuntersuchungen zeigten die Verteilung der Füllstoffpartikel in der Polymermatrix, während die Oberflächenaufnahmen die Bildung charakteristischer Mikrohohlräume nach dem Ätzprozess sichtbar machten (Abb. 2). Diese Strukturen erzeugen die Oberflächentopographie, die für die mechanische Verzahnung der galvanisch abgeschiedenen Metallschicht erforderlich ist, und bestätigen damit das zugrunde liegende Konzept. Während die Oberfläche des reinen Polymers relativ glatt bleibt, zeigt das mit CaCO3 modifizierte Harz eine mikroporöse Struktur, die durch das Auflösen der Füllstoffpartikel entsteht und eine verbesserte Verankerung von galvanisch abgeschiedenen Metallschichten ermöglicht.

Abb. 2: REM-Oberflächentopographie geätzter 3D-gedruckter Harzproben mit glatter Oberfläche des reinen Polymers (a) und mikroporöser Struktur im modifizierten Harz (b)
Ein solcher Ansatz ist besonders wertvoll für Anwendungen, bei denen komplexe dreidimensionale Geometrien zuverlässig metallisiert werden müssen. Bauteile wie Antennen, Wellenleiter oder Sensorgehäuse benötigen häufig leitfähige Beschichtungen und profitieren gleichzeitig von der Gestaltungsfreiheit der additiven Fertigung. Die Integration haftungsverbessernder Strukturen direkt in das gedruckte Material vereinfacht die Prozesskette und verbessert die Reproduzierbarkeit bei der anschließenden Metallisierung [4]. Ähnlich wie bei klassischen Beizverfahren für ABS oder partikelgefülltem Polyamid wird die mikrostrukturierte Oberfläche über die galvanische Beschichtung bei zunehmender Schichtdicke wieder eingeebnet. Somit lassen sich mit dieser Technik auch Hochglanzoberflächen erzeugen, mit denen gerade bei Hochfrequenzbauteilen wie Waveguides die Leistungsverluste minimiert werden können (Abb. 3).

Abb. 3: Kupferbeschichteter 3D-gedruckter Wellenleiterbogen, der die Anwendung von galvanisch abgeschiedenen Metallschichten auf additiv gefertigten Bauteilen veranschaulicht
Basis für neue Einsatzmöglichkeiten
Mit ihrer Erfahrung in der Galvanotechnik und Prozessentwicklung verfügt die Biconex GmbH über die industrielle Expertise, solche Konzepte in praktische Fertigungslösungen zu überführen. Das Unternehmen kombiniert moderne automatisierte Galvanotechnik mit Know-how in Materialtechnik und additiver Fertigung und ermöglicht so die zuverlässige Herstellung von metallisierten 3D-gedruckten Komponenten für anspruchsvolle technische Anwendungen.
Die Kombination aus additiver Fertigung, gezielter Oberflächenmodifikation und moderner Galvanotechnologie eröffnet weiterhin neue Möglichkeiten zur Herstellung leichter, leistungsfähiger Bauteile. Entwicklungsarbeiten wie diese zeigen, wie Materialdesign und Prozesskompetenz zusammenwirken können, um eine robuste und skalierbare Metallisierung polymerbasierter additiver Strukturen zu ermöglichen [5].
Danksagung
Die Autoren und Unternehmensleitung der Biconex danken der Schäfer Kalk GmbH & Co. KG herzlich für ihre Unterstützung durch die rasterelektronenmikroskopischen Untersuchungen. Ihr Beitrag hat entscheidend zum Gelingen dieser Arbeit beigetragen.
Literatur
[1] L. Zhou et al.: Additive manufacturing – a comprehensive review; Sensors, 2024
[2] C. Bachiller et al.: Additive manufacturing and metallization of high-frequency communication devices; Progress in Additive Manufacturing, 2023
[3] D. Klichová et al.: Surface modification for electroplating of 3D-printed components; Machines, 2025
[4] G. W. Thompson, M. J. Mahtabi: Electrodeposition of nickel onto polymers; Applied Sciences, 2025
[5] A. Gebhardt, J. Hötter: Additive Manufacturing – 3D Printing for Prototyping and Manufacturing; Hanser Verlag

