Für die Herstellung von Kompositbeschichtungen durch stromloses (chemisches) Abscheiden auf flexiblen Substrate aus Polyethylenterephthalat (PETF) wurden kommerzielle Kupfer- und Nickelelektrolyte mit Zusatz von SiC-Partikeln als Dispersoide verwendet. Untersucht wurde der Einfluss der Mikropartikel auf die Schichtdicke sowie die Menge und die Verteilung der Partikel in einer Kupfer(Cu-SiC)- beziehungsweise Nickel(Ni-SiC)schicht. Die Einbaurate ist bei unbehandelten Dispersoiden deutlich von der Korngröße der Partikel abhängig und sinkt stark mit steigender Korngröße. Durch die Metallisierung der Partikel kann die Einbaurate ebenso erhöht werden, wie durch die Zugabe von oberflächenaktiven Stoffen zu den Elektrolyten. Die metallisierten Partikel können auch für die Herstellung von Dispersionsschichten mit galvanischen Abscheideverfahren eingesetzt werden. Die Schichten auf den flexiblen Substraten finden beispielsweise Anwendung als Schleifmittel.
Electroless Copper-SiCand Nickel-SiC Composite Coatings on Non-Metallic Substrates
To form a composite coating using electroless deposition over a flexible substrate made of polyethyleneterephthalate (PETF), commercial copper and nickel electroless plating solutions were used with added SiC particles as the dispersoid phase. A study was carried out on the effect of the microparticles on coating thickness as well as the amount of the disperse phase in the deposit and its distribution, for both the copper and nickel-matrix systems. The rate of incorporation for untreated dispersoid particles depends strongly on their grain size, decreasing rapidly as the grain size increases. If the particles are previously metallised, the incorporation rate is significantly increased as is also the case when surfactants are added to the electrolyte. These metallised particles can also be used in the electrolytic (as opposed to electroless) deposition of composite coatings. Coatings such as those described here on flexible substrates can, for example, be used as abrasives.
1 Einleitung
Karbide sind feuerfeste, harte Substanzen, die in den bekannten Lösungsmitteln unlöslich sind. Bor- und Siliziumkarbide (B4C und SiC), Titankarbid (TiC), Wolframkarbid (WC) und Zirconiumkarbid (ZrC) besitzen höchste Härte, Feuerfestigkeit und sind chemisch weitgehend inert. Eines der am meisten verwendeten Karbide ist Siliziumkarbid (SiC), das sich vor allem durch seine hohe Härte von etwa 9 (nach der Mohs-Skala), den hohen Schmelzpunkt und die große chemische Trägheit (inert) charakterisieren lässt. In der Praxis wird es zur Herstellung von Schleifwerkzeugen oder Schleifmitteln in Verbindung mit Vliestextilien beziehungsweise Papier verwendet.
Aus der Literatur sind verschiedene Herstellungsmethoden von Kompositbeschichtungen bekannt. So wird beispielsweise die Abscheidung von Kupfer-SiC-Kompositschichten durch chemische Reduktion unter Verwendung von Formaldehyd in [1] beschrieben. Durch eine Nachverdichtung bei 600 °C und einem Druck von 300 MPa wird eine gleichmäßigere Verteilung insbesondere im Bereich von 20 Vol% SiC erreicht, wodurch die mechanischen Eigenschaften der Kupferschichten deutlich verbessert werden. Unter anderem auf diesen Untersuchungen begründet sich der Ansatz, die Eigenschaften von Kupfer- und Nickelschichten durch die Dispersoidzusätze erheblich verbessern zu können.
Untersuchungen [3] an chemisch abgeschiedenen Nickel-Kompositschichten mit Graphit (Ni-P-Cg) und SiC-Partikeln (Ni-P-SiC) ergeben moderate Mikrohärten, einen relativ niedrigen Reibungskoeffizienten und gute Antiverschleißeigenschaften. Der Einbau von Siliziumkarbid in chemisch abgeschiedene Kupferschichten erhöht die Rauheit, während Graphitpartikel (Cg-Partikel) den Reibungskoeffizienten verbessert. Die Korrosionsbeständigkeit dieser Schichten kann sowohl steigen (chemisch abgeschiedenes Kupfer mit SiC) als auch fallen (chemisch abgeschiedenes Kupfer mit Graphit).
Für einige Abscheideversuche wurde das MFSP-Verfahren angewandt (MFSP = Multi-Pass-Friction Stirr Processing). Damit kann die Agglomeratgröße der Partikel beeinflusst werden [6]. Ein verstärkter Einbau erhöht den elektrischen Widerstand, unabhängig von der Zahl der Konvektionsdurchgänge in der Dispersion. Die Beispiele zeigen, dass durch den Einbau von nichtleitfähigen Partikeln in metallische Matrixschichten die Eigenschaften in Abhängigkeit von Einbaudichte und Verteilung im Metall geändert und gezielt beeinflusst werden können. Eine Abscheidung auf flexiblen nicht leitfähigen Substraten soll damit neue Anwendungsfelder eröffnen.
2 Versuchsdurchführung
Als Substrat zur Abscheidung von Kompositbeschichtungen wurden Proben textiler Struktur aus Polyethyleneterephthalate (PETF) (bei den Substraten handelt es sich um Yambolen, ein bulgarisches Produkt) mit einer Oberfläche von 8 cm2 (2 cm x 2 cm x 0,5 cm) verwendet. Die Vorbehandlung der Substrate umfasste folgende Arbeitsschritte:
- Entfettung in einer alkalischen Lösung
- Aktivierung in einer kolloidalen Lösung aus PdCl2-Aktivator A-75-12 (kommerzielles Produkt der TU Sofia)
- alkalische Behandlung mit einem handelsüblichen X-75-4 Beschleuniger (kommerzielles Produkt der TU Sofia)
Auf den so vorbehandelten Proben wurden folgende Schichten chemisch abgeschieden:
- Kupfer aus einer Lösung mit: CuSO4·5H2O (10 g/l), HCHO (37 %) (10 ml/l), Na2-EDTA (40 g/l), Stabilisatoren und Netzmittel; pH 12,8 ÷ 0,2, T = 45 °C
- Nickel aus einer Lösung mit: NiSO4·7H2O (25 g/l), NaH2PO2·H2O (22 g/l), Natriumacetat, Milchsäure, Stabilisatoren und Netzmittel; pH 4,6–4,8; T = 82 °C
Die Abscheidedauer betrug 60 min bis 300 min bei Luft-Rührung. Den Arbeitslösungen wurden SiC-Dispersoide mit einer Größe von 5 µm bis 7 µm und 125 µm bis 106 µm in Konzentrationen von 2,5 g/l bis 5 g/l zugesetzt.
Die mittlere Dicke der abgeschiedenen Beschichtungen wurde gravimetrisch auf Basis der Massendifferenz der Proben vor und nach der Metallisierung bestimmt, das heißt Δm = M – M0, wobei Δm die Masse der abgeschiedenen Beschichtung, M0 die Masse der Probe vor der Metallisierung und M die Masse der Probe nach der Metallisierung ist; alle Massen wurden in Gramm (g) bestimmt. Die Schichtdicke δ (µm) ergibt sich aus dem Verhältnis der Gesamtmasse Δm bezogen auf die Gesamtabscheidungsfläche A (cm2), das heißt δ = ∆m/A.
Die durchschnittliche Menge der mit abgeschiedenen Partikel pro Quadratzentimeter (n/cm2) wurde auf Basis der auf der Oberfläche der Kompositbeschichtung gezählten Partikel bestimmt. (Die Zählung erfolgte in drei willkürlich gewählten Zonen bei 200-facher Vergrößerung.) Mit einem Rasterelektronenmikroskop (JSM 6390, JEOL, Japan) wurden energiedispersive spektrometrische Analysen durchgeführt. Die Bestimmung der chemischen Elementzusammensetzung der Kompositbeschichtung erfolgte mittels EDS.
Röntgenpulverdiffraktometriemuster wurden in einem Winkelintervall von 20° bis 110° (2Θ) auf einem Philips PW 1050-Diffractometer, ausgestattet mit Cu Kα Rohr, Szintillationsdetektoren und Monochromator im gebeugten Strahl aufgezeichnet. Daten für die Kristallcharakterisierung wurden in Θ-2Θ im Step-Scan-Modus im Winkelintervall von 10° bis 80° (2Θ), in Schritten von 0,03° (2Θ) und einer Zählzeit von 2 s/Schritt erfasst.
3 Ergebnisse und Diskussion
3.1 Stromlos abgeschiedene Kupfer-Kompositschichten
Obwohl die Oberflächenspannung der Lösungen für die chemische Metallisierung relativ niedrig ist, wird trotz der intensiven Bewegung der Lösung die Benetzung der Dispersoidoberfläche erschwert, was zu einer ungleichmäßigen Verteilung im Volumen der Lösung, zur Agglomeration und relativ häufig zum Aufschwimmen an der Oberfläche der Lösung führt. Die Oberflächenspannung zwischen der Lösung und den Partikeln kann durch Zugabe eines geeigneten Netzmittels reduziert werden [7].
Den Einfluss des Netzmittels (Natrium-Laurylsulfonat, NaLS) auf die in der Kupfermatrix eingebaute Menge an Siliziumkarbid ist in Tabelle 1 zusammengestellt. Abbildung 1 zeigt die Oberfläche der beschichteten Textilien.
Tab. 1: Einfluss von NaLS auf die Einbaumenge von SiC-Partikeln in die Kupfer-Kompositschicht; Elektrolyt: 5 g/l SiC; T = 45 °C; τ = 1 h
|
SiC 7–10 µm |
SiC 7–10 µm |
ohne SiC |
|
|
Δm |
0,0155 g |
0,0428 g |
0,0387 g |
|
δ |
1,98 µm |
5,47 µm |
4,94 µm |
|
Einbau |
Kein Einbau |
> 150 000 1/cm2 |
– |
Siliziumkarbid wird aufgrund seiner Kristallstruktur ohne vorherige Benetzung in einer Natriumlaurylsulfatlösung (Abb. 1 links) praktisch nicht in die Kupfer-Matrix eingebaut, obwohl feinkörnige Partikel (7 µm bis 10 µm) verwendet werden, welche der Dicke der Kupferbeschichtung entsprechen. In Gegenwart von 0,01 g/l NaLS wird Siliziumkarbid in die Metallmatrix eingebaut und darüber hinaus haften erhebliche Mengen davon an den metallisierten PETF-Fasern (Abb. 1 rechts). Diese Beobachtungen werden auch durch die Ergebnisse der EDS-Untersuchungen (Abb. 2) bestätigt, die ein Maximum an Siliziumkarbid nur bei Zusatz von Natriumlaurylsulfat aufweisen (Abb. 2 rechts).

Abb. 1: REM-Aufnahme der Oberfläche der Cu-Kompositbeschichtungen auf PETF mit SiC-Partikeln 7 µm bis 10 µm; ohne NaLS (links) und mit 0,01 g/l NaLS (rechts)


Abb. 2: EDS der Kupfer-Kompositschicht auf PETF mit 5 g/l SiC (7 µm bis 10 µm) bei T = 45 °C und τ = 60 min; NaLS (oben) und mit 0,01 g/l NaLS (unten)
Die einfachste Methode zur Erhöhung der Einbaurate der Partikel in die Matrixbeschichtung ist die Erhöhung ihrer Konzentration in der Metallisierungslösung. Allerdings ist bekannt, dass die Aufnahme der Lösung an Partikeln begrenzt ist [7]. Mit steigender Konzentration nimmt die Bildung von Agglomeraten an SiC-Partikel zu, sodass mit dem Einbau die Schichtrauheit steigt und sich ungleichmäßige Schichten bilden.
Die experimentellen Daten in Tabelle 2 zeigen, dass die Anzahl der in die Kupfermatrix eingebauten Partikel, unabhängig von der Dicke der Matrix, insbesondere bei kleinen Partikelgrößen von der Konzentration des Dispersoids im Elektrolyten unabhängig wird, während bei den größeren Siliziumkarbidpartikeln (40 µm bis 60 µm) mit steigender Konzentration der Partikel im Elektrolyt auch die Anzahl der eingebetteten Partikel in der Schicht steigt. Deshalb wurden alle weiteren Untersuchungen mit 5 g/l Siliziumkarbid im Elektrolyten durchgeführt.
Tab. 2: Einfluss der SiC-Menge im Elektrolyten auf die Einbaurate beziehungsweise die Dicke der Kompositschicht; Elektrolyt mit 0,01 g/l NaLS; T = 45 °C, τ = 5 h
|
SiC 14–20 µm |
SiC 40–60 µm |
|||
|
SiC-Menge |
2,5 g/l |
5,0 g/l |
2,5 g/l |
5,0 g/l |
|
Δm |
0,0987 g |
0,0796 g |
0,0151 g |
0,1651 g |
|
δm |
12,60 µm |
10,16 µm |
19,30 µm |
21,08 µm |
|
Einbau |
96 700 1/cm2 |
94 600 1/cm2 |
90 000 1/cm2 |
92 000 1/cm2 |
Die Partikelgröße des Dispersoids beeinflusst die Eigenschaften der Kompositschicht wesentlich. Bei Kompositbeschichten, die als Schleifmittel eingesetzt werden, sind größere Partikel von Vorteil. Ihr Einbau in die Metallmatrix ist aber schwieriger, weil sie leichter sedimentieren. In Tabelle 3 sind die Einbauraten der Partikel in Abhängigkeit von der Größe der Partikel zusammengestellt.
Tab. 3: Einfluss der SiC-Partikelgröße im Elektrolyt auf die Einbaurate beziehungsweise die Dicke der Kompositschicht
|
SiC 5–7 µm |
SiC 7–10 µm |
SiC 14–20m |
SiC 40–60 µm |
SiC 75–90 µm |
|
|
Abscheidezeit |
1 h |
1 h |
5 h |
5 h |
5h |
|
Δm |
0,0567 g |
0,0428 g |
0,0796 g |
0,1651 g |
0,1651 g |
|
δ |
7,24 µm |
5,47 µm |
10,16 µm |
21,08 µm |
21,08 µm |
|
Einbau |
> 200 000 1/cm2 |
> 150 000 1/cm2 |
94 600 1/cm2 |
92 000 1/cm2 |
5 500 1/cm2 |
|
(̴ 100 %) |
(̴ 100 %) |
||||
|
Elementanalyse (in Gew.%) |
|||||
|
C |
5,17 |
8,75 |
9,30 |
9,87 |
4,84 |
|
O |
1,50 |
1,45 |
1,54 |
1,41 |
1,54 |
|
Si |
23,30 |
20,00 |
17,23 |
19,01 |
5,50 |
|
Cu |
70,03 |
69,80 |
71,93 |
69,70 |
89,66 |
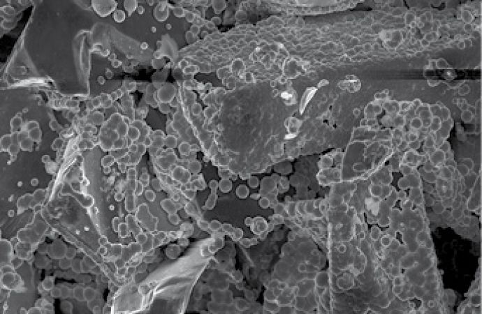
Die Massen der abgeschiedenen Kompositschichten sowie die Anzahl der in der Kupfermatrix enthaltenen Siliziumkarbidpartikel zeigen, dass die besten Resultate mit kleineren Partikelgrößen von 5 µm bis 7 µm und 40 µm bis 60 µm erzielt werden. Dies wird durch die REM-Bilder bestätigt (Abb. 1 rechts und Abb. 3 links). Die höhere Dicke der Beschichtungen mit Dispersoiden von 40 µm µm bis 60 µm ermöglicht den Einbau größerer Siliziumkarbidpartikel (Abb. 3 rechts).


Abb. 3: REM-Aufnahmen der Oberfläche der mit Kupfer-Kompositschichten bedeckten PETF-Fasern; SiC 14 µm bis 20 µm (oben) und SiC 40 µm bis 60 µm (unten)
3.2 Vormetallisierung der SiC-Partikel
Bei Zunahme der Größe von Siliziumkarbidpartikel über 75 µm bis 90 µm geht die Anzahl der eingebauten Partikel auf den PETF-Fasern stark zurück, während bei 106 µm bis 125 µm kein Einbau mehr beobachtet wurde. Um die Einbaurate der größeren Partikel erhöhen zu können, erfolgte eine separate chemische Vorbeschichtung mit dem Matrixmetall.
Für die Verwendung der Dispersionsschichten als Schleifmittel sollten aber nach Möglichkeit größere Partikel in die Schichten eingebaut werden. Dazu wurden die Siliziumkarbidpartikel (über 75 µm–90 µm) vormetallisiert, indem zwei Chargen mit Partikelgrößen von 75 µm bis 90 µm und 106 µm bis 125 µm chemisch vorverkupfert wurden.
Die beschichteten Pulver wurden röntgenografisch untersucht (Abb. 4 und Abb. 5). Die Diffraktogramme zeigen sowohl einen deutlichen Unterschied in der kristallographischen Richtung zwischen den beiden Fraktionen als auch zwischen den verkupferten und nicht verkupferten Siliziumkarbidpulvern (Abb. 4 und Abb. 5). Vergleichsmessungen an kleineren Partikeln wären zur Erklärung der Unterschiede in den Einbauraten hilfreich gewesen, waren aber nicht möglich.

Abb. 4: Diffraktogramme von SiC-Pulver mit den Größen 75 µm bis 90 µm, 106 µm bis 125 µm und metallisiertem Siliziumkarbid mit Größen von 106 µm bis 125 µm


Abb. 5: REM-Aufnahme der Oberfläche von SiC-Pulvern; ohne Metallisierung (oben) und metallisiertem Pulver von 106 µm bis 125 µm
Die erzielten Ergebnisse (Tab. 4) zeigen, dass die auf diese Weise beschichteten Partikel zu einem erheblichen Anstieg der mitabgeschiedenen Partikelanzahl in der Kupfer-Kompositschicht führten.
Tab. 4: Einfluss der Partikelgröße von kupferplattiertem Pulver von SiC
|
SiC 90–75 µm |
SiC 125–106 µm |
|
|
Δm |
0,2054 g |
0,1361 g |
|
δ |
26,23 µm |
17,38 µm |
|
Einbau |
> 100 000 1/cm2 |
780 1/cm2 |
|
(̴ 100 %) |
||
|
EDS-Analyse (Gew.%) |
||
|
C |
8,75 |
8,84 |
|
Si |
20,00 |
5,50 |
|
Cu |
71,25 |
89,66 |
Dies bestätigen sowohl die REM-Aufnahme (Abb. 6) als auch die EDS-Analyse (Abb. 7).


Abb. 6: REM-Aufnahme der Kufper-Kompositschicht auf PETF mit verkupfertem SiC; 90 µm bis 75 µm (oben) und 125 µm bis 106 µm (unten)



Abb. 7: EDS-Analysen der Kupfer-Kompositschichten auf PETF mit verkupfertem SiC; a (oben): Punkt 3 ist Bereich 3 in Abbildung 6 links; b(2. Bild): Punkt 4 ist Bereich 4 in Abbildung 6 links; c(3. Bild): Punkt 3 ist Bereich 3 in Abbildung 6 rechts; d(unten): Punkt 5 ist Bereich 5 in Abbildung 6 rechts
3.3 Chemisch abgeschiedene Nickel-Kompositschichten
Zum Vergleich wurden Kompositschichten aus Nickel-Phosphor und SiC-Partikeln, analog zu den Kupferschichten, in Anwesenheit des Netzmittels Natriumlaurylsulfat (0,01 g/L), durchgeführt.
Die Ergebnisse in Tabelle 5 und die REM-Aufnahmen (Abb. 8) zeigen, dass die chemisch abgeschiedenen Nickel-Dispersionsschichten wesentlich dicker sind, als die Kupferschichten. Die Größe der Partikel wirkt sich nur in einem begrenzten Bereich auf die Einbaurate der Partikel im Vergleich zu den Ergebnissen mit Kupfer aus (Tab. 5).
Tab. 5: Einfluss der Größe der SiC-Partikel im Elektrolyt auf die Einbaurate beziehungsweise die Dicke der Nickel-Kompositschichten
|
SiC 10–7 µm |
SiC 20–14 µm |
SiC 60–40 µm |
|
|
Abscheidedauer |
1 h |
1 h |
5 h |
|
Δm |
0,5014 g |
0,4016 g |
0,4739 g |
|
δ |
64,03 µm |
51,28 µm |
60,52 µm |
|
Einbau |
> 200 000 1/cm2 |
90 000 1/cm2 |
90 000 1/cm2 |
|
EDS-Analyse (Gew.%) |
|||
|
C |
25,02 |
22,26 |
19,49 |
|
O |
2,78 |
1,77 |
0,76 |
|
Si |
40,18 |
33,29 |
26,39 |
|
P |
1,60 |
2,12 |
2,63 |
|
Ni |
30,41 |
40,58 |
50,74 |
Tabelle 5 zeigt eine sehr hohe Einbaurate bei Partikelgrößen von 7 µm bis 10 µm (analog Abb. 8 rechts), während bei den größeren Siliziumkarbidpartikeln (75 µm–90 µm und 106 –125 µm) kein Einbau in die Schicht beobachtet wurde, obwohl die Beschichtung ihre hohe Dicke beibehält. Auch bei Nickelbeschichtungen war das praktische Ziel, disperse Beschichtungen mit eingearbeiteten größeren Siliziumkarbidpartikeln zu erreichen. Zu diesem Zweck musste auch hier das Dispersoid zuvor mit Nickel beschichtet werden und dem Elektrolyt erst danach in einem zweiten Schritt zur stromlosen Abscheidung zugesetzt werden.


Abb. 8: REM-Bild der Nickel-Kompositschicht auf PETF mit SiC-Partikeln; 7 µm bis 10 µm (oben) und 40 µm bis 60 µm (unten)
Die erzielten Ergebnisse (Tab. 6) zeigen, dass das auf diese Weise beschichtete Siliziumkarbid zu einem erheblichen Anstieg der mitabgeschiedenen Partikel in der Nickel-Phosphor-Schicht führt. Dies bestätigten die EDS-Analyse und die REM-Mikroschliffbilder (Abb. 9).
Tab. 6: Einfluss der Nickelbeschichtung der Partikel auf die Einbaurate in die Nickelmatrix
|
SiC 90–75 µm |
SiC 125–106 µm |
|
|
Δm |
0,5628 g |
0,2167 g |
|
δ |
71,87 µm |
27,67 µm |
|
Einbau |
1200 1/cm2 |
530 1/cm2 |
|
EDS-Analyse (Gew.%) |
||
|
C |
5,60 |
4,20 |
|
Si |
2,14 |
0,62 |
|
P |
5,49 |
4,65 |
|
Ni |
86,77 |
90,50 |


Abb. 9: REM-Mikroschliffbilder der Nickel-Kompositschichten auf PETF mit vorab vernickeltem Siliziumkarbid; 75 µm bis 90 µm; 100-fach (oben) und 500-fach (unten)
4 Zusammenfassung und Schlussfolgerungen
Kompositschichten auf Basis von chemisch abgeschiedenem Kupfer und Nickel mit Siliziumkarbid-Dispersoiden verschiedener Körnung lassen sich auf flexiblen, nicht leitfähigen, faserförmigen textilen Substraten aus Polyethyleneterephthalate abscheiden.
Damit wird die Herstellung von verschiedenen stabilen, textilen Schleifmaterialien mit unterschiedlichen Rauheiten und Härten möglich. Die chemischen reduktiven Verfahren erlauben die Beschichtung unterschiedlichster nicht leitfähiger Substrate und erweitern die Angebotspalette derartiger Schleifmittel für spezifische Anwendungszwecke. Der Einbau der Partikel ist netzmittelabhängig; sowohl Einbaumenge als auch Verteilung werden vom Elektrolyten bestimmt und legen die Eigenschaften der Schichten fest.
Zur besseren Verankerung und Erhöhung der Einbaudichte der Schleifpartikel, insbesondere die mit größeren Abmessungen, sind eine chemische Vormetallisierung und der Zusatz von Netzmitteln notwendig.
Mit Nickel-Dispersionsschichten sind etwa 10-mal höhere Schichtdicken als mit einer Kupfermatrix möglich. Eine Vormetallisierung der nicht leitfähigen Hartstoffpartikel mit dem jeweiligen Matrixmetall erleichtert den Einbau und vermindert die ansonsten hohe Agglomerisationsneigung. Für die Mitabscheidung nichtmetallischer Dispersoide sind die chemischen Verfahren zur Vorbehandlung und Vorbeschichtung der Dispersoide auch für den Einbau in galvanische Schichten geeignet. Die Ergebnisse zeigen, dass durch die Vormetallisierung der Einbau in die Metallmatrix erleichtert wird.
Danksagung
Die Autoren bedanken sich für die finanzielle Unterstützung des Projekts BG 051PO001-3-3-06-0038 und der National Foundation Scientific Research (Bulgarien) unter Vertrag Nr. DID02/28 für die Ausarbeitung dieser Arbeit.
Literatur
[1] S. Y. Chang, S. J. Lin; Scripta Materialia, 35, Nr. 2 (1996), S. 225–231
[2] P. Yih, D. D. Chung; Journal of Materials Science, 34 (1996), S. 399–406
[3] Y. T. Wu, L. Lei, B. Shen, W. B. Hu; Surface & Coatings Technology, 201 (2006), S. 441–445
[4] S. Faraji, A. A. Rahim, N. Mohamed, C. S. Sipaut; Surface & Coatings Technology, 206 (2011), S. 1259–1268
[5] G. Jiaqiang, L. Lei, W. Yating, Sh. Bin, H. Wenbin; Surface & Coatings Technology, 200 (2006), S. 5836–5842
[6] M. Barmouz, M. Kazem, B. Givi; Composites: Part A, 42 (2011), S. 1445–1453
[7] S. L. Zhu, L. Tang, Z. D. Cui, Q. Wei, X. J. Yang; Surface and Coatings Technology, 205 (2011), S. 2985–2988
DOI: 10.7395/2014/Georgieva1
1) Institut für Physikalische Chemie, Bulgarische Akademie der Wissenschaften, 1113 Sofia, Bulgarien; mgeorgieva@ipc.bas.bg
2) Technische Universität Ilmenau, Deutschland